UNI EN 10034:1995 / Travi ad I e ad H di acciaio per impieghi strutturali
| ID 23274 | | Visite: 1854 | Documenti riservati Costruzioni | Permalink: https://www.certifico.com/id/23274 |
UNI EN 10034:1995 / Travi ad I e ad H di acciaio per impieghi strutturali
ID 23274 | 11.01.2025 / Scheda allegata
Documento sulle tolleranze dimensioni e di forma delle travi ad I ed ad H in accordo alla norma tecnica UNI EN 10034:1005 “Travi ad I e ad H di acciaio per impieghi strutturali. Tolleranze dimensionali e di forma”.
________
UNI EN 10034:1995 Travi ad I e ad H di acciaio per impieghi strutturali. Tolleranze dimensionali e di forma.
Data disponibilità: 30 settembre 1995
Versione in lingua italiana della norma europea EN 10034 (edizione dicembre 1993). Stabilisce le tolleranze dimensionali, di forma e sulla massa delle travi ad I e ad H di acciaio (esclusi gli inossidabili) per impieghi strutturali.
________
Estratto norma UNI EN 10034:1995
[…]
6 Tolleranza Sulla Lunghezza
Le travi devono essere fornite tagliate alle lunghezze ordinate, con tolleranza di:
a) ± 50 mm
o
b) + 100 mm nei casi in cui vengano richieste lunghezze minime
L rappresenta la massima lunghezza utilizzabile della trave, supponendo che le estremità della trave siano state tagliate a squadro (vedere figura 1).
Figura 1 Misurazione della lunghezza L sulle travi ad I e ad H di acciaio
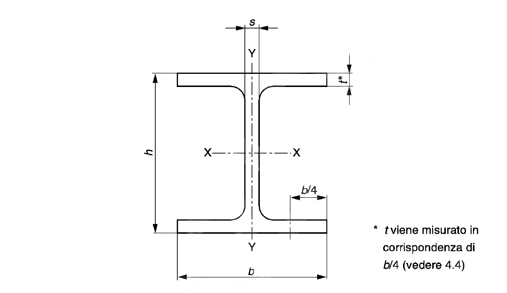
Prospetto 1 Tolleranze dimensionali delle travi a I e ad H di acciaio per impieghi strutturali
| Descrizione | Livello | Dimensione | Downloads | |
|---|---|---|---|---|
| UNI EN 10034 1995 - Tolleranze dimensionali travi I e H Rev. 00 2025.pdf Certifico Srl - Rev. 0.0 2025 |
350 kB | 12 |


























