Resistenza di messa a terra e protezione di differenziale
| ID 8467 | | Visite: 21625 | Documenti impianti riservati | Permalink: https://www.certifico.com/id/8467 |
Resistenza di messa a terra e protezione di differenziale
La misura della resistenza di terra va eseguita, sia negli impianti alimentati direttamente in BT (sistema TT) sia in quelli con propria stazione (AT-MT/BT) o cabina di trasformazione (MT/BT). L’impianto di terra è destinato a realizzare la messa a terra di protezione che, coordinata con un adeguato dispositivo di protezione, realizza il metodo di protezione denominato “Protezione mediante interruzione automatica dell’alimentazione”.
Questo metodo di protezione è quello più comunemente utilizzato contro i contatti indiretti, contro i contatti cioè di una persona con una massa che sia in tensione per un guasto o con una parte conduttrice in contatto con questa massa durante il guasto. Inoltre vi sono aspetti normativi che impongono la periodicità della misura/verifica impianto di terra.
Metodologia e strumenti per la misura dell’impianto di terra
Le tecniche di misura più comuni per la misura della resistenza sono:
A) METODO VOLTAMPEROMETRICO
Per dispersori di piccole dimensioni si fa circolare una corrente alternata di valore costante tra il dispersore in esame ed un dispersore ausiliario posizionato ad una distanza dal contorno del dispersore in prova pari ad almeno 4 volte la dimensione massima dello stesso dispersore (ad es. massima diagonale o diametro del cerchio di pari area che contiene il dispersore). Si misura la tensione tra il dispersore in esame ed una sonda di tensione situata al di fuori delle zone di influenza generate dalla corrente di prova che attraversa il dispersore in prova e il dispersore ausiliario di corrente. In genere si può considerare la sonda di tensione in posizione idonea, quando è situata ad una distanza dal contorno del dispersore pari a circa 2 volte la dimensione massima dello stesso dispersore. Il valore della resistenza di terra è dato dal rapporto tra la tensione misurata la corrente di prova o indicato direttamente da strumenti appositamente realizzati.
Per dispersori di grandi dimensioni, che usa lo stesso metodo di misura voltamperometrico, si utilizza quando risulta difficoltoso posizionare il dispersore ausiliario di corrente ad una distanza di circa 4 volte la dimensione massima del dispersore in esame. Quando il rispetto di tale distanza non è praticamente possibile, si può posizionare il dispersore ausiliario di corrente ad una distanza inferiore. Per accertare che la sonda di tensione sia situata al di fuori delle zone di influenza generate dal dispersore in prova e dal dispersore ausiliario di corrente, bisogna eseguire una misura spostando la sonda di tensione, partendo da un punto intermedio tra dispersore ausiliario di corrente e dispersore in prova, in diversi punti verso il dispersore in prova e verso il dispersore ausiliario di corrente: se si ottengono, in due o più punti, valori con differenza trascurabile (punto di flesso orizzontale) si ha la conferma dell’attendibilità della misura. Il valore della resistenza di terra è dato dal rapporto della tensione misurata al punto flesso e la corrente di prova.
B) METODO DELLA MISURA DELLA RESISTENZA DELL’ANELLO DI GUASTO
Questo metodo applicato ai sistemi TT fornisce un valore maggiore di quello ottenuto utilizzando il metodo volt-amperometrico per cui, ai fini del coordinamento con i dispositivi di protezione, risulta sempre a vantaggio della sicurezza. La misura comprende oltre al valore della resistenza del circuito di guasto dell’impianto utilizzatore (RE), anche quello della cabina (resistenza di terra del neutro), quello della resistenza equivalente secondaria del trasformatore e quello della resistenza delle linee.
Strumenti per la misura dell’impianto di terra
Gli strumenti di misura e gli apparecchi di controllo devono essere conformi alle Norme della serie IEC EN 61557-4. E’ importante che il costruttore e/o il distributore siano in grado di garantire un servizio di assistenza per interventi di controllo, riparazione e calibrazione e relativa certificazione del prodotto.
CEI 0-21:2019
Regola tecnica di riferimento per la connessione di Utenti attivi e passivi alle reti BT delle imprese distributrici di energia elettrica
....
5.1.2 Stato del neutro - collegamento a terra delle masse dell’impianto utente
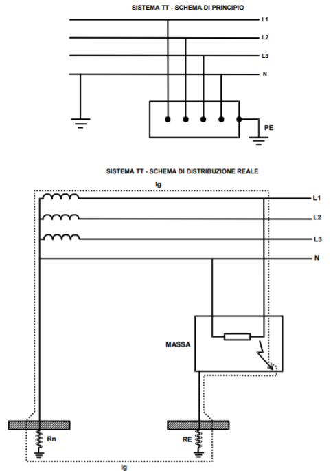
La rete BT del Distributore è gestita con neutro direttamente a terra. Il neutro viene distribuito ed è fatto divieto agli Utenti di impiegare il neutro come conduttore di protezione, nonché di collegare il neutro del Distributore alla terra di protezione dell’impianto di utenza. Dal punto di vista della sicurezza, il sistema impiegato è di tipo TT, come definito nella Norma CEI 64-8 art. 312.2.2. La Fig. 1 seguente schematizza il sistema TT.
Figura 1 – Sistema di distribuzione TT
Onde consentire il corretto intervento dei dispositivi di protezione di tipo differenziale (riconosciuti dalla Norma CEI 64-8 quali unici dispositivi praticamente adottabili ai fini del conseguimento della sicurezza contro i contatti indiretti) è necessario che:
- la messa a terra del neutro da parte del Distributore abbia un valore di Rn (vedi Fig. 1) inferiore a 180 Ω;
- la resistenza RE (che ricade sotto la responsabilità dell’Utente) abbia un valore opportunamente coordinato con i requisiti indicati nella Norma CEI 64-8 art. 413.1.4.
La sussistenza di tale condizione deve essere verificata dal Distributore su richiesta dell’Utente, qualora si rilevi che il superamento del limite di 180 Ohm impedisca il corretto funzionamento delle protezioni differenziali dell’Utente medesimo. In questi casi l’Utente è tenuto a trasmettere al Distributore il rapporto tecnico comprovante il mancato funzionamento delle protezioni differenziali, redatto dall’impresa installatrice abilitata ai sensi del DM 37/08, ovvero da professionista iscritto all’albo, ovvero da ente di verifica di cui al DPR 462/01 (ASL, ARPA, INAIL o organismo abilitato).
Collegato
Tags: Impianti Impianti elettrici




















