UNI EN ISO 13854:2020 Spazi minimi schiacciamento di parti del corpo: Note / Applicazione
| ID 13215 | | Visite: 24304 | Documenti Riservati Normazione | Permalink: https://www.certifico.com/id/13215 |
UNI EN ISO 13854:2020 (ISO 13854:2017) Spazi minimi per evitare lo schiacciamento di parti del corpo: Note / Applicazione
ID 13215 | Update news 13.09.2023 / Documento completo allegato
UNI EN ISO 13854:2020
Sicurezza del macchinario - Spazi minimi per evitare lo schiacciamento di parti del corpo
Questo standard è stato rivisto e confermato l'ultima volta nel 2023. Pertanto questa versione rimane attuale.
La UNI EN ISO 13854:2020, tratta degli spazi minimi per evitare lo schiacciamento di parti del corpo, con la Decisione di Esecuzione (UE) 2021/377 è entrata in regime di armonizzazione per la Direttiva macchine 2006/42/CE. La norma sostituisce la EN 349:2008 che rimane in vigore fino 3 settembre 2022. Nel Documento sono lasciati i riferimenti dei punti della norma.
Rispetto alla EN 349, la EN ISO 13854 è aggiornata nei riferimenti alla EN ISO 12100 ed EN ISO 13857, rispetto ad EN 291-1 / 2 ed EN 294 della EN 349. Non sono variati i valori del Prospetto 1 delle 2 norme.
UNI EN ISO 13854:2017 è applicabile solo ai rischi derivanti da pericoli di schiacciamento e non è applicabile ad altri possibili pericoli, ad es. impatto, cesoiamento, trascinamento.
Il presente documento è pertinente, in particolare, per i seguenti gruppi di portatori di interesse che rappresentano gli attori di mercato in materia di sicurezza del macchinario:
- fabbricanti di macchine (piccole, medie e grandi imprese);
- organismi per la salute e la sicurezza (legislatori organizzazioni per la prevenzione degli incidenti, sorveglianza del mercato, ecc.).
Altri possono essere interessati dal livello di sicurezza del macchinario ottenuto per mezzo del documento dai gruppi di portatori di interesse sopra citati:
- utilizzatori di macchine/datori di lavoro (piccole, medie e grandi imprese);
- utilizzatori di macchine/lavoratori dipendenti (per esempio sindacati, organizzazioni per persone con bisogni particolari);
- fornitori di servizi, per esempio per la manutenzione (piccole, medie e grandi imprese);
- consumatori (nel caso di macchinario destinato all'utilizzo dei consumatori).
...
Zona in cui il corpo umano o parti del corpo umano sono esposte ad un pericolo di schiacciamento.
Nota
Questo pericolo è generato se:
- due parti mobili si muovono l'una verso l'altra, o
- una parte mobile si muove verso una parte fissa.
Vedere anche appendice A.
4 SPAZI MINIMI
4.1 Metodologia per l’utilizzo del presente documento
Il metodo di utilizzo del presente documento deve far parte della strategia iterativa di sicurezza descritta nel punto 4 della ISO 12100:2010.
L'utilizzatore del presente documento deve:
a) identificare i pericoli di schiacciamento;
b) valutare i rischi derivanti da tali pericoli in conformità alla ISO 12100, prestando particolare attenzione agli aspetti seguenti:
- se è prevedibile che il rischio derivante da un pericolo di schiacciamento coinvolga diverse parti del corpo, si deve applicare lo spazio minimo di cui al prospetto 1 in relazione alla più grande di queste parti [vedere anche d)],
- il comportamento imprevedibile dei bambini e le loro dimensioni del corpo se i bambini sono compresi nella popolazione a rischio,
- se parti del corpo possono entrare nella zona di schiacciamento in una configurazione diversa da quelle indicate nel prospetto 1,
- se sono da tenere in considerazione indumenti spessi o ingombranti (per esempio indumenti di protezione per temperature estreme) o utensili,
- se il macchinario è utilizzato da persone che indossano calzature dalla suola spessa (per esempio zoccoli), che aumentano la dimensione effettiva del piede;
c) selezionare nel prospetto 1 lo spazio minimo appropriato relativo alla parte del corpo a rischio (vedere anche appendice A), e
d) se non è possibile ottenere una sicurezza adeguata con gli spazi minimi selezionati nel prospetto 1, si devono utilizzare ulteriori o altre misure e/o mezzi aggiuntivi (vedere per esempio ISO 12100 e ISO 13857).
Se non è possibile ottenere lo spazio minimo per la parte del corpo più grande prevista, l'esempio seguente fornisce un particolare mezzo per limitare l'accesso alle parti del corpo più piccole.
Fig. 0 - Strategia iterativa di sicurezza per l’applicazione della norma
(*) UNI EN ISO 13854:2017 è applicabile solo ai rischi derivanti da pericoli di schiacciamento e non è applicabile ad altri possibili pericoli, ad es. impatto, cesoiamento, trascinamento.
Esempio:
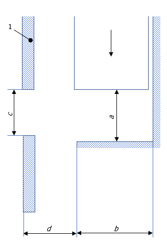
L'accesso di parti del corpo più grandi alla zona di schiacciamento può essere impedito dall'utilizzo di strutture di protezione aventi un'apertura limitata, come indicato nella figura 1.
La possibilità di accedere a una zona di schiacciamento per una particolare parte del corpo dipende da quanto segue:
- lo spazio, a, tra la parte fissa e la parte in movimento o tra due parti in movimento;
- la profondità, b, della zona di schiacciamento;
- le dimensioni, c, dell'apertura nella struttura di protezione e la sua distanza, d, dalla zona di schiacciamento.
Nota
Le dimensioni delle aperture in relazione alle distanze di sicurezza sono disponibili nella ISO 13857.
Figura 1 - Utilizzo di strutture di protezione aventi apertura limitata
Legenda
1 Struttura di protezione
Per alcune applicazioni possono esserci motivi giustificati per discostarsi dagli spazi minimi del prospetto 1.
Le norme che trattano tali applicazioni devono indicare come sia possibile raggiungere una sicurezza adeguata.
4.2 Valori
Il prospetto 1 indica i valori degli spazi minimi per evitare lo schiacciamento di parti del corpo umano. Per la scelta dello spazio minimo adeguato, vedere punto 4.1.
Prospetto 1 (Dimensioni in millimetri)
...
APPENDICE A ILLUSTRAZIONE DI ZONE DI SCHIACCIAMENTO (informativa)
Le zone di schiacciamento indicate e le parti del corpo umano considerate nella figura A.1 costituiscono soltanto degli esempi. Per l'applicazione della valutazione dei rischi, vedere punto 4.1.
Figura A.1 Esempi di zone di schiacciamento e parti del corpo umano
Legenda
a Spazio minimo
APPENDICE ZA RAPPORTO FRA LA PRESENTE NORMA EUROPEA E I REQUISITI ESSENZIALI DELLA DIRETTIVA 2006/42/CE DA SODDISFARE (informativa)
La conformità ai punti della presente norma elencati nel prospetto ZA.1 conferisce, entro i limiti dello scopo e campo di applicazione della presente norma, una presunzione di conformità con i corrispondenti requisiti essenziali di quella della Direttiva macchine 2006/42/CE:
Prospetto ZA.1 Corrispondenza tra la presente norma e l’allegato I della Direttiva 2006/42/CE
...
Segue in allegato
Certifico Srl - IT | Rev. 0.0 2021
©Copia autorizzata Abbonati
Collegati
UNI EN ISO 13854:2020 | Spazi minimi per evitare lo schiacciamento di parti del corpo
Norme armonizzate Direttiva macchine Marzo 2021: Note
EN 349 e ISO 13854 | Spazi minimi per evitare lo schiacciamento di parti del corpo
UNI EN ISO 13857:2020 | Distanze di sicurezza
Focus ISO 13857:2019 Zone pericolose - Distanze sicurezza
EN 13857 Distanze di sicurezza
| Descrizione | Livello | Dimensione | Downloads | |
|---|---|---|---|---|
| UNI EN ISO 13854 2020 Spazi minimi per evitare lo schiacciamento di parti del corpo Rev. 00 2021.pdf Certifico Srl - Rev. 0.0 2021 |
278 kB | 682 |
























