Determinazione resistenza allo scivolamento prova a pendolo - pietre naturali
| ID 20725 | | Visite: 5466 | Documenti Riservati Sicurezza | Permalink: https://www.certifico.com/id/20725 |
UNI EN 14321 Determinazione resistenza allo scivolamento / prova a pendolo - pietre naturali
ID 20725 | 06.11.2023 / Documento di approfondimento e modello resoconto di prova in allegato
Documento estratto da UNI EN 14231 Metodi di prova per pietre naturali - Determinazione della resistenza allo scivolamento tramite l’apparecchiatura di prova a pendolo.
La presente norma è la versione ufficiale in lingua italiana della norma europea EN 14231 (edizione aprile 2003). La norma specifica un metodo di prova per determinare il valore della resistenza allo scivolamento della superficie della faccia esposta di elementi di pietra naturale destinati ad essere utilizzati nelle pavimentazioni degli edifici.
Premessa
La norma di riferimento per l’esecuzione del test del pendolo per le pietre naturali è la EN 14231, che si basa sul metodo di prova secondo BS 7976-2.
Il metodo di prova del pendolo è un dispositivo semplice che replica in maniera affidabile e precisa il coefficiente di attrito dinamico (COF) di un tallone sulla superficie del pavimento. Il tallone è la parte del piede che inizia a scivolare per prima nella maggior parte delle situazioni di scivolamento su un pavimento.
Il dispositivo è operato tramite un braccio oscillante che passa su una superficie piana. Il braccio oscillante è montato con un cursore in gomma che colpisce e scivola sulla superficie con una determinata distanza di contatto (Fig. 1)
Il braccio è collocato orizzontalmente con un puntatore e, quando viene rilasciato, oscilla; una volta che colpisce la superficie, l’attrito fa decelerare il braccio che viaggia a una certa distanza, collocando il puntatore su una scala.
Figura 1 - Schema di configurazione del pendolo ed esecuzione della prova
Fase 1: il braccio del pendolo viene collocato in una posizione orizzontale. Il puntatore è fissato al braccio principale.
Fase 2: il braccio principale viene sganciato e cade con un movimento oscillante. Il cursore in gomma entra in contatto con la superficie e copre una determinata distanza in base alla resistenza all’attrito.
Fase 3: il puntatore viene rilasciato nel punto più distante sulla scala.
Questo metodo di prova è quello previsto dalle norme armonizzate per la marcatura CE dei prodotti di pietra naturale (ma anche di lapidei agglomerati) per pavimentazioni.
Il metodo del pendolo permette di esprimere la scivolosità delle superfici di pietra naturale come un valore adimensionale (comunemente compreso tra 2 e 70), in condizioni asciutte e bagnate (con acqua potabile).
La norma di prodotto relativa alle lastre di pietra naturale per pavimentazioni esterne (EN 1341) pone come limite di sicurezza per le pavimentazioni esterne in condizioni bagnate il valore 35. Per le condizioni asciutte e per le pavimentazioni interne non sono previsti valori limite di accettabilità.
EN 1341:2012
Lastre di pietra naturale per pavimentazioni esterne -Requisiti e metodi di prova
EN 1342:2012
Cubetti di pietra naturale per pavimentazioni esterne -Requisiti e metodi di prova
EN 1343:2012
Cordoli di pietra naturale per pavimentazioni esterne -Requisiti e metodi di prova
EN 12058:2004
Prodotti di pietra naturale -Lastre per pavimentazioni e per scale -Requisiti
[...]
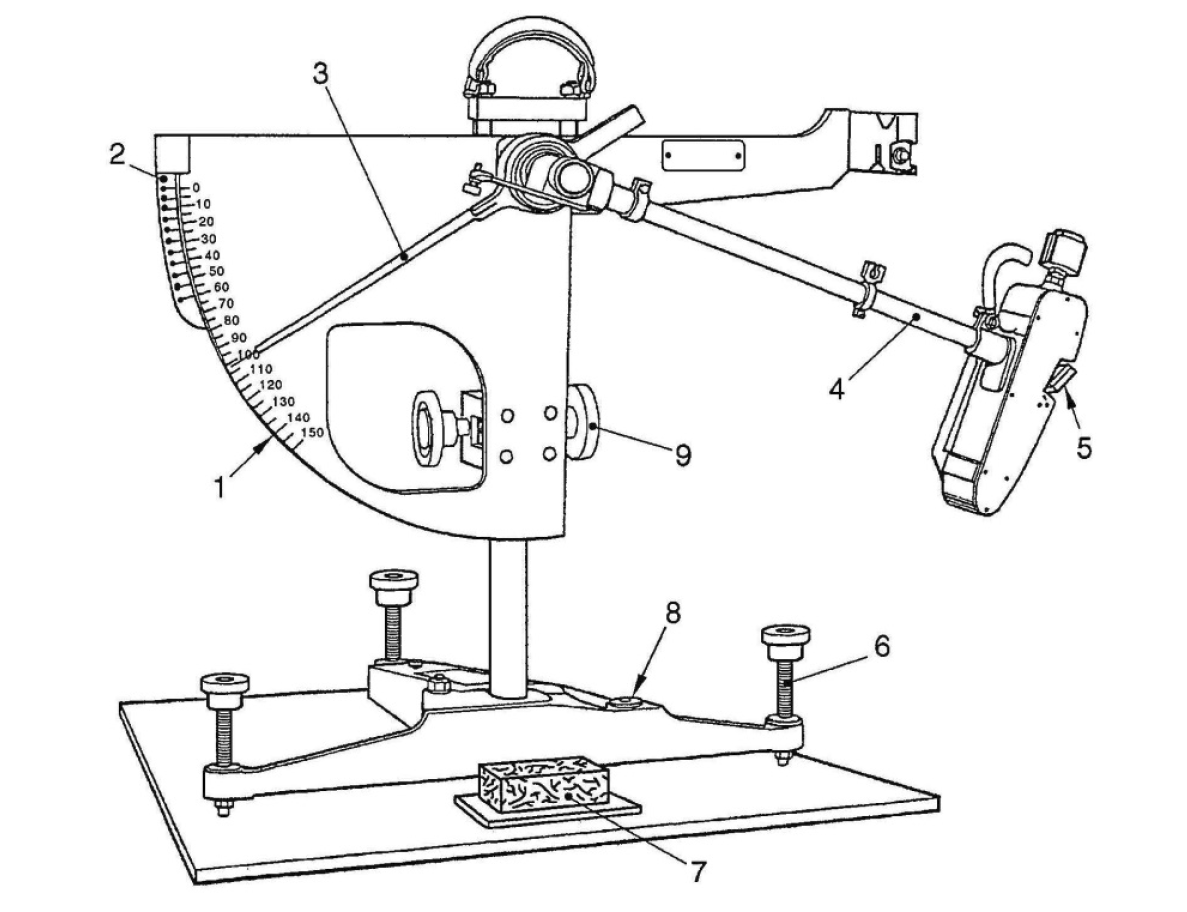
Dettagli dell’apparecchiatura a pendolo / Scale
Le prove di determinazione della resistenza allo scivolamento devono essere realizzate, conformemente a quanto richiesto dalla norma. In Figura 2 dettagli apparecchiatura di prova a pendolo:
1- Scala C (lunghezza di scorrimento 126 mm);
2- Scala F (lunghezza di scorrimento 76 mm);
3- Lancetta;
4- Pendolo;
5- Pattino di gomma;
6- Vite di livellamento;
7- Supporto per il provino;
8- Livella a bolla d’aria;
9- Vite di regolazione verticale.
Figura 2 - Dettagli apparecchiatura di prova a pendolo
[...]
Espressione dei risultati
Per ogni provino o ogni area di prova calcolare il valore medio di ogni serie di cinque letture registrate misurate in direzioni opposte in condizioni di prova sia asciutto che di bagnato.
Per misurazioni effettuate con il pattino largo, calcolare il valore del pendolo di ciascun provino nelle condizioni di prova di asciutto come la media dei due valori medi registrati misurati in direzioni opposte, alla più vicina unità sulla scala C.
Per misurazioni effettuate con il pattino stretto, calcolare il valore del pendolo di ogni provino come la media dei due valori medi registrati in direzioni opposte con l'approssima zione allo 0,01 sulla scala F, moltiplicati per 100 e per un fattore di correzione di 1,2 per la graduazione della scala e l'effetto della diversa lunghezza di slittamento.
Ripetere questo procedimento per i risultati ottenuti in condizioni di prova di bagnato.
Per misurazioni effettuate su pavimenti in servizio, correggere i valori misurati per la temperatura, utilizzando il grafico illustrato nella figura 3.
Legenda
X Temperatura di prova °C
Y Fattore da aggiungere per una correzione a 20 °C
Figura 3 - Correzione temperatura per tenere conto delle variazioni della resilienza del pattino di gomma
Il valore di resistenza allo scivolamento in condizione di asciutto (SRV "secco") è il valore medio del pendolo ottenuto su sei provini nella condizione di prova di asciutto.
Il valore di resistenza allo scivolamento in condizione di bagnato (SRV "bagnato") è il valore medio del pendolo ottenuto su sei provini nella condizione di prova di bagnato.
Risultati / esempio
La tabella qui di seguito è intesa unicamente come guida. Numerosi fattori quali il tipo di attività pedonale e il tipo di utente (ad esempio in termini di età e di abilità fisica) devono essere a loro volta tenuti in considerazione.
[...]
Modello Resoconto di prova
[...] segue in allegato
Certifico Srl - IT Rev. 0.0 2023
©Copia autorizzata Abbonati
Matrice revisioni
| Rev. | Data | Oggetto | Autore |
| 0.0 | 06.11.2023 | --- | Certifico Srl |
Collegati
| Descrizione | Livello | Dimensione | Downloads | |
|---|---|---|---|---|
| UNI EN 14231 Determinazione resistenza scivolamento Prova a pendolo - Pietre naturali Rev. 00 2023.pdf Certifico Srl - Rev. 0.0 2023 |
404 kB | 81 |
























