UNI CEI TR 11798:2020 | Esempio classificazione ATEX distribuzione GAS naturale
| ID 12658 | | Visite: 16004 | Documenti Riservati Sicurezza | Permalink: https://www.certifico.com/id/12658 |
UNI CEI TR 11798:2020 | Esempio classificazione ATEX distribuzione GAS naturale
ID 12658 | 27.01.2021 / Documento di esempio
Il rapporto tecnico UNI CEI 11798:2020 fornisce degli esempi di classificazione dei luoghi con pericolo di esplosione specifici per i settori di trasporto e distribuzione del gas naturale, secondo i principi stabiliti dalla CEI EN 60079-10-1:2016-11.
Descrive inoltre il metodo di classificazione utilizzato, i dati comuni a tutti gli esempi (per esempio caratteristica delle sostanze), i criteri di scelta dei fori di guasto per determinare le portate di emissione in occasione di funzionamento anomalo o guasto nonché le formule di calcolo non ricavabili dalla CEI EN 60079-10-1:2016-11.
Le reti e gli impianti presi in considerazione sono riferiti a pressione nominale da 250 bar a 0,04 bar.
La classificazione dei luoghi con pericolo d’esplosione può riguardare:
- ampliamenti o trasformazioni di opere esistenti;
- opere di nuova realizzazione.
Il Decreto Legislativo 81/08, obbliga il Datore di Lavoro alla valutazione dei rischi, compresi i rischi specifici derivanti da atmosfere esplosive. Nella valutazione del rischio il Datore di Lavoro deve divedere in zone le aree in cui si possono formare atmosfere esplosive.
Data entrata in vigore: 19 novembre 2020
Data di entrata in vigore: 01 novembre 2016
Capo I Disposizioni generali
Articolo 287 - Campo di applicazione
1. Il presente Titolo prescrive le misure per la tutela della sicurezza e della salute dei lavoratori che possono essere esposti al rischio di atmosfere esplosive come definite all’articolo 288.
2. Il presente Titolo si applica anche nei lavori in sotterraneo ove è presente un’area con atmosfere esplosive, oppure è prevedibile, sulla base di indagini geologiche, che tale area si possa formare nell’ambiente.
3. Il presente Titolo non si applica:
a) alle aree utilizzate direttamente per le cure mediche dei pazienti, nel corso di esse;
b) all’uso di apparecchi a gas di cui al decreto del Presidente della Repubblica 15 novembre 1996, n. 661(N);
c) alla produzione, alla manipolazione, all’uso, allo stoccaggio ed al trasporto di esplosivi o di sostanze chimicamente instabili;
d) alle industrie estrattive a cui si applica il decreto legislativo 25 novembre 1996, n. 624(N);
e) all’impiego di mezzi di trasporto terrestre, marittimo, fluviale e aereo per i quali si applicano le pertinenti disposizioni di accordi internazionali tra i quali il Regolamento per il trasporto delle sostanze pericolose sul Reno (ADNR), l’Accordo Europeo relativo al trasporto internazionale di merci pericolose per vie navigabili interne (ADN), l’Organizzazione per l’Aviazione civile internazionale (ICAO), l’Organizzazione marittima internazionale (IMO), nonché la normativa comunitaria che incorpora i predetti accordi. Il presente Titolo si applica invece ai veicoli destinati ad essere utilizzati in atmosfera potenzialmente esplosiva.
…
Capo II - Obblighi del datore di lavoro
Articolo 289 - Prevenzione e protezione contro le esplosioni
1. Ai fini della prevenzione e della protezione contro le esplosioni, sulla base della valutazione dei rischi e dei principi generali di tutela di cui all’articolo 15, il datore di lavoro adotta le misure tecniche e organizzative adeguate alla natura dell’attività; in particolare il datore di lavoro previene la formazione di atmosfere esplosive.
2. Se la natura dell’attività non consente di prevenire la formazione di atmosfere esplosive, il datore di lavoro deve:
a) evitare l’accensione di atmosfere esplosive;
b) attenuare gli effetti pregiudizievoli di un’esplosione in modo da garantire la salute e la sicurezza dei lavoratori.
3. Se necessario, le misure di cui ai commi 1 e 2 sono combinate e integrate con altre contro la propagazione delle esplosioni e sono riesaminate periodicamente e, in ogni caso, ogniqualvolta si verifichino cambiamenti rilevanti.
Articolo 290 - Valutazione dei rischi di esplosione
1. Nell’assolvere gli obblighi stabiliti dall’articolo 17, comma 1, il datore di lavoro valuta i rischi specifici derivanti da atmosfere esplosive, tenendo conto almeno dei seguenti elementi:
a) probabilità e durata della presenza di atmosfere esplosive;
b) probabilità che le fonti di accensione, comprese le scariche elettrostatiche, siano presenti e divengano attive ed efficaci;
c) caratteristiche dell’impianto, sostanze utilizzate, processi e loro possibili interazioni;
d) entità degli effetti prevedibili.
2. I rischi di esplosione sono valutati complessivamente.
3. Nella valutazione dei rischi di esplosione vanno presi in considerazione i luoghi che sono o possono essere in collegamento, tramite aperture, con quelli in cui possono formarsi atmosfere esplosive.
…
Articolo 293 - Aree in cui possono formarsi atmosfere esplosive
1. Il datore di lavoro ripartisce in zone, a norma dell’ALLEGATO XLIX, le aree in cui possono formarsi atmosfere esplosive.
2. Il datore di lavoro assicura che per le aree di cui al comma 1 siano applicate le prescrizioni minime di cui all’ALLEGATO L.
3. Se necessario, le aree in cui possono formarsi atmosfere esplosive in quantità tali da mettere in pericolo la sicurezza e la salute dei lavoratori sono segnalate nei punti di accesso a norma dell’ALLEGATO LI e provviste di allarmi ottico/acustici che segnalino l’avvio e la fermata dell’impianto, sia durante il normale ciclo sia nell’eventualità di un’emergenza in atto.
…
Allegato XLIX
Ripartizione delle aree in cui possono formarsi atmosfere esplosive osservazione preliminare
Il sistema di classificazione che segue si applica alle aree in cui vengono adottati provvedimenti di protezione in applicazione degli articoli 258, 259, 262, 263.
1. Aree in cui possono formarsi atmosfere esplosive
Un’area in cui può formarsi un’atmosfera esplosiva in quantità tali da richiedere particolari provvedimenti di protezione per tutelare la sicurezza e la salute dei lavoratori interessati è considerata area esposta a rischio di esplosione ai sensi del presente titolo.
Un’area in cui non è da prevedere il formarsi di un’atmosfera esplosiva in quantità tali da richiedere particolari provvedimenti di protezione è da considerare area non esposta a rischio di esplosione ai sensi del presente titolo.
Le sostanze infiammabili e combustibili sono da considerare come sostanze che possono formare un’atmosfera esplosiva a meno che l’esame delle loro caratteristiche non abbia evidenziato che esse, in miscela con l’aria, non sono in grado di propagare autonomamente un’esplosione.
2. Classificazione delle aree a rischio di esplosione
Le aree a rischio di esplosione sono ripartite in zone in base alla frequenza e alla durata della presenza di atmosfere esplosive.
Il livello dei provvedimenti da adottare in conformità dell’ALLEGATO L, parte A, è determinato da tale classificazione.
Zona 0
Area in cui è presente in permanenza o per lunghi periodi o frequentemente un’atmosfera esplosiva consistente in una miscela di aria e di sostanze infiammabili sotto forma di gas, vapore o nebbia.
Zona 1
Area in cui la formazione di un’atmosfera esplosiva, consistente in una miscela di aria e di sostanze infiammabili sotto forma di gas, vapori o nebbia, è probabile che avvenga occasionalmente durante le normali attività.
Zona 2
Area in cui durante le normali attività non è probabile la formazione di un’atmosfera esplosiva consistente in una miscela di aria e di sostanze infiammabili sotto forma di gas, vapore o nebbia o, qualora si verifichi, sia unicamente di breve durata.
Zona 20
Area in cui è presente in permanenza o per lunghi periodi o frequentemente un’atmosfera esplosiva sotto forma di nube di polvere combustibile nell’aria.
Zona 21
Area in cui la formazione di un’atmosfera esplosiva sotto forma di nube di polvere combustibile nell’aria, è probabile che avvenga occasionalmente durante le normali attività.
Zona 22
Area in cui durante le normali attività non è probabile la formazione di un’atmosfera esplosiva sotto forma di nube di polvere combustibile o, qualora si verifichi, sia unicamente di breve durata.
Note:
1. Strati, depositi o cumuli di polvere combustibile sono considerati come qualsiasi altra fonte che possa formare un’atmosfera esplosiva.
2. Per “normali attività” si intende la situazione in cui gli impianti sono utilizzati entro i parametri progettuali.
3. Per la classificazione delle aree o dei luoghi si può fare riferimento alle norme tecniche armonizzate relative ai settori specifici, tra le quali:
- EN 60079-10 (CEI 31-30) “Classificazione dei luoghi pericolosi” e successive modificazioni.
- EN 61241-10 (CEI 31-66) “Classificazione delle aree dove sono o possono essere presenti polveri combustibili” e successive modificazioni.
e le relative guide:
- CEI 31-35 e CEI 31-56 “
e per l’analisi dei pericoli, valutazione dei rischi e misure di prevenzione e protezione, alla norma:
- EN 1127-1” Atmosfere esplosive. Prevenzione dell’esplosione e protezione contro l’esplosione. Parte 1:Concetti fondamentali e metodologia”.
_________
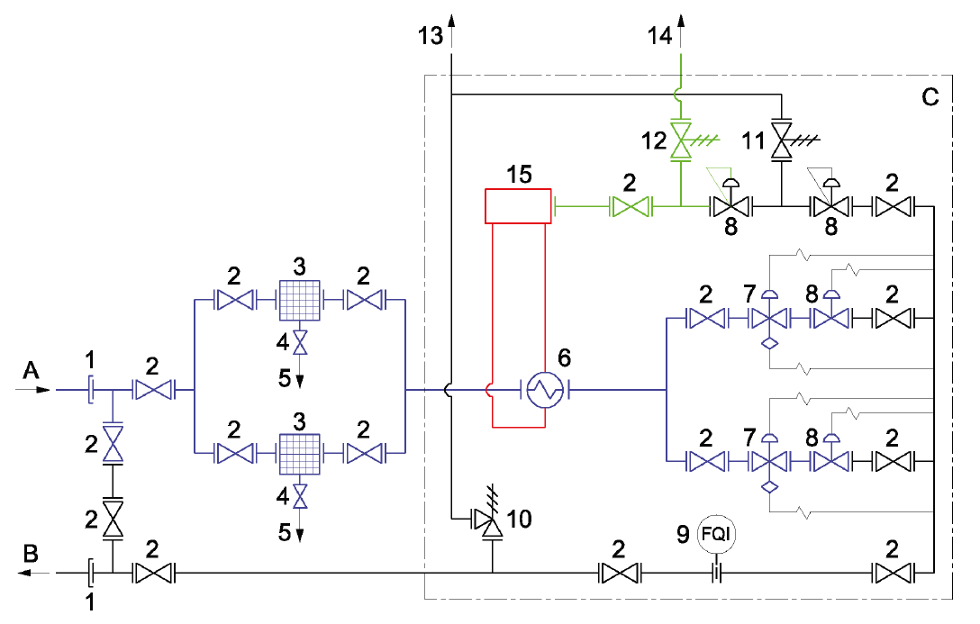
Esempio 1 - Impianto di controllo della pressione da 75 a 24 bar in cabina compreso nelle condotte di trasporto del gas naturale
Dati generali e descrizione schematica dell’impianto
L’impianto di controllo della pressione del gas naturale oggetto del presente esempio è realizzato in conformità al DM 17 aprile 2008 e prevede la riduzione e la regolazione della pressione da 75 a 24 bar e la misura della portata del gas in transito.
L’impianto è ubicato in parte in spazio aperto privo di ostacoli o limitazioni alla ventilazione naturale (aree esterne) ed in parte in locali chiusi (cabina), come di seguito specificato.
L’impianto è rappresentato schematicamente nella figura seguente ed è costituito da:
b) locale strumentazione;
c) locale caldaia;
d) aree esterne
1 Giunto isolante monoblocco
2 Valvola di intercettazione
3 Filtro
4 Valvola di spurgo filtri
5 Terminale di spurgo filtri
6 Preriscaldatore (scambiatore di calore)
7 Regolatore di pressione di emergenza con blocco (monitor)
8 Regolatore di pressione di esercizio (riduttore)
9 Contatore
10 Valvola di scarico PSV1
11 Valvola di sfioro PSV2
12 Valvola di sfioro PSV3
13 Scarico convogliato delle valvole PSV1 e PSV2
14 Scarico convogliato della valvola PSV3
15 Caldaia per produzione acqua calda di preriscaldo
A Ingresso
B Uscita
C Ambiente chiuso
_________ Parte di impianto a 75 bar (sezione a 75 bar)
_________Parte di impianto a 24 bar (sezione a 24 bar)
_________ Parte di impianto a 20 mbar (sezione a 20 mbar)
_________ Circuito acqua calda di preriscaldo
Fig. 1 - Schema semplificato di un generico impianto di controllo della pressione e misura del gas naturale
Per la classificazione delle aree, oltre a quanto previsto nella Parte Generale, si assumono le condizioni di seguito riportate:
- gli sfiati di gas previsti nel funzionamento normale o in situazioni di aumento eccessivo della pressione regolata (es. intervento del dispositivo di scarico all’atmosfera), sono tutti convogliati all’esterno dei locali;
- le guarnizioni delle flange di accoppiamento dell’impianto di controllo sono di tipo spirometallico o metalloplastiche;
- gli spurghi dei filtri vengono eseguiti solo con valvole manuali in occasione degli interventi periodici di sorveglianza; le impurità raccolte vengono rimosse dall’impianto e smaltite secondo la regolamentazione vigente;
- l’impianto non è ordinariamente soggetto a vibrazioni e corrosioni.
_________
SR03 Sfiato del dispositivo di scarico all’atmosfera dell’impianto PSV1 (vedi n. 10 sullo schema)
Emissioni continue
Tutte le emissioni continue dai terminali di sfiato delle valvole sono considerate rappresentate dall’emissione dal dispositivo di scarico PSV1 con pressione di esercizio di 24 bar in quanto le altre valvole di sfiato del preriscaldo sono di diametro inferiore ed intervengono ad una pressione massima di 3 bar.
Le tenute delle valvole di sicurezza e i dispositivi di scarico all’atmosfera possono essere classificate con riferimento alla CEI EN 60534-4, che alla tabella 3 ne definisce le classi di tenuta.
Le valvole di sfiato del preriscaldo (PSV 2 e PSV3) sono con sede a tenuta morbida (classe VI), mentre il dispositivo di scarico PSV1 è con sede a tenuta metallica (classe IV).
In accordo alla normativa sopra riportata, la valvola PSV1 può avere un trafilamento strutturale pari a 0,01% della capacità di sfioro.
Tab. 9 - Caratteristiche della SR03 con grado continuo
Portata di emissione Wg della SR03 di grado continuo
Per determinare la portata di emissione Wg, è necessario stabilire il regime di efflusso dell’emissione, verificando che la pressione del gas all’interno del sistema di contenimento sia superiore o meno a quella indicata nella Formula [B.2] della CEI EN 60079-10-1:2016-11.
ossia
Risultando verificata la condizione di cui sopra, l’efflusso avviene in regime sonico e, pertanto, la portata di emissione Wg si determina applicando la formula [B.4] della CEI EN 60079-10-1:2016-11.
___________
Valutazione del grado di diluizione della SR03 di primo grado
Il grado di diluizione può essere considerato ALTO in quanto il volume infiammabile è inferiore a 0,1 m3 come rilevato sulla figura C.1 della CEI EN 60079-10-1:2016-11, sotto riportata.
Legenda
X Caratteristica di emissione Wg/(ρg x k x LFL) (m3/s)
Y Velocità dell’aria di ventilazione Uw (m/s)
A Diluizione alta
B Diluizione media
C Diluizione bassa
Fig. 6 - Grado di diluizione della SR03 di primo grado
...
Segue in allegato (Documento di esempio)
Fonti
CEI EN 60079-10-1:2016-11
UNI CEI TR 11798:2020
Certifico Srl - IT | Rev. 0.0 2021
©Copia autorizzata Abbonati
Matrice Revisioni
| Rev. | Data | Oggetto | Autore |
| 0.0 | 27.01.2021 | --- | Certifico Srl |
Collegati
CEI EN 60079-10-1:2016 (Classificazione CEI 31-87)
IEC 60079-10-1:2020
EN 60079-10-2 Esempi Zone ATEX Polveri
EN 60079-X: Tutte le norme ATEX della serie
Valutazione rischio ATEX lavoro: Quadro tecnico-normativo
Direttive ATEX: Prodotti e Lavoro
| Descrizione | Livello | Dimensione | Downloads | |
|---|---|---|---|---|
| UNI CEI TR 11798 2020 Esempio classificazione ATEX distribuzione gas naturale Rev. 00 2021.pdf Certifico Srl - Rev. 00 2021 |
666 kB | 455 |
Tags: Sicurezza lavoro Valutazione dei Rischi Rischio atmosfere esplosive






















