Regolamento delegato (UE) 2024/1399
| ID 21908 | | Visite: 1803 | Prevenzione Incendi | Permalink: https://www.certifico.com/id/21908 |
Regolamento delegato (UE) 2024/1399 / Classificazione reazione al fuoco pannelli in legno
ID 21908 | 22.05.2024
Regolamento delegato (UE) 2024/1399 della Commissione, del 10 novembre 2023, relativo alle condizioni di classificazione, senza prove, dei rivestimenti e dei pannelli in legno massiccio in relazione alla reazione al fuoco e che modifica la decisione 2006/213/CE
GU L 2024/1399 del 22.5.2024
Entrata in vigore: 20.08.2024
_________
Articolo 1
I pannelli e i rivestimenti in legno massiccio che soddisfano le condizioni di cui all’allegato sono considerati conformi alle classi di prestazione indicate nell’allegato senza prove.
Articolo 2
La tabella 2, comprese le figure a) e b), dell’allegato della decisione 2006/213/CE è soppressa e sostituita dalla tabella di cui all’allegato, comprese le figure a) e b).
I riferimenti alla tabella 2, comprese le figure a) e b), dell’allegato della decisione 2006/213/CE si intendono fatti alla tabella e alle figure di cui all’allegato.
Articolo 3
Il presente regolamento entra in vigore il novantesimo giorno successivo alla pubblicazione nella Gazzetta ufficiale dell’Unione europea.
...
ALLEGATO
CLASSI DI REAZIONE AL FUOCO PER PANNELLI E RIVESTIMENTI IN LEGNO MASSICCIO
|
Materiali (11) |
Descrizione del prodotto (5) |
Densità media minima (6) (kg/m3) |
Spessore minimo, totale/minimo (7) (mm) |
Condizione di uso finale (4) |
Classe (3) |
|
Pannelli e rivestimenti (1) |
Elementi in legno non trattato con o senza incastro maschio/femmina con o senza superficie profilata |
390 |
9/6 |
Senza intercapedine d’aria o con intercapedine d’aria chiuso posteriore |
D-s2, d2 |
|
12/8 |
D-s2, d0 |
||||
|
Pannelli e rivestimenti (2) |
Elementi in legno non trattato con o senza incastro maschio/femmina con o senza superficie profilata |
390 |
9/6 |
Con intercapedine d’aria aperta ≤ 20 mm posteriore |
D-s2, d0 |
|
18/12 |
Senza intercapedine d’aria o con intercapedine d’aria aperta posteriore |
||||
|
Elementi nastro di legno (8) |
Elementi in legno non trattato montati su una struttura di supporto (9) |
390 |
18 |
Circondati da aria aperta su tutti i lati (10) |
D-s2, d0 |
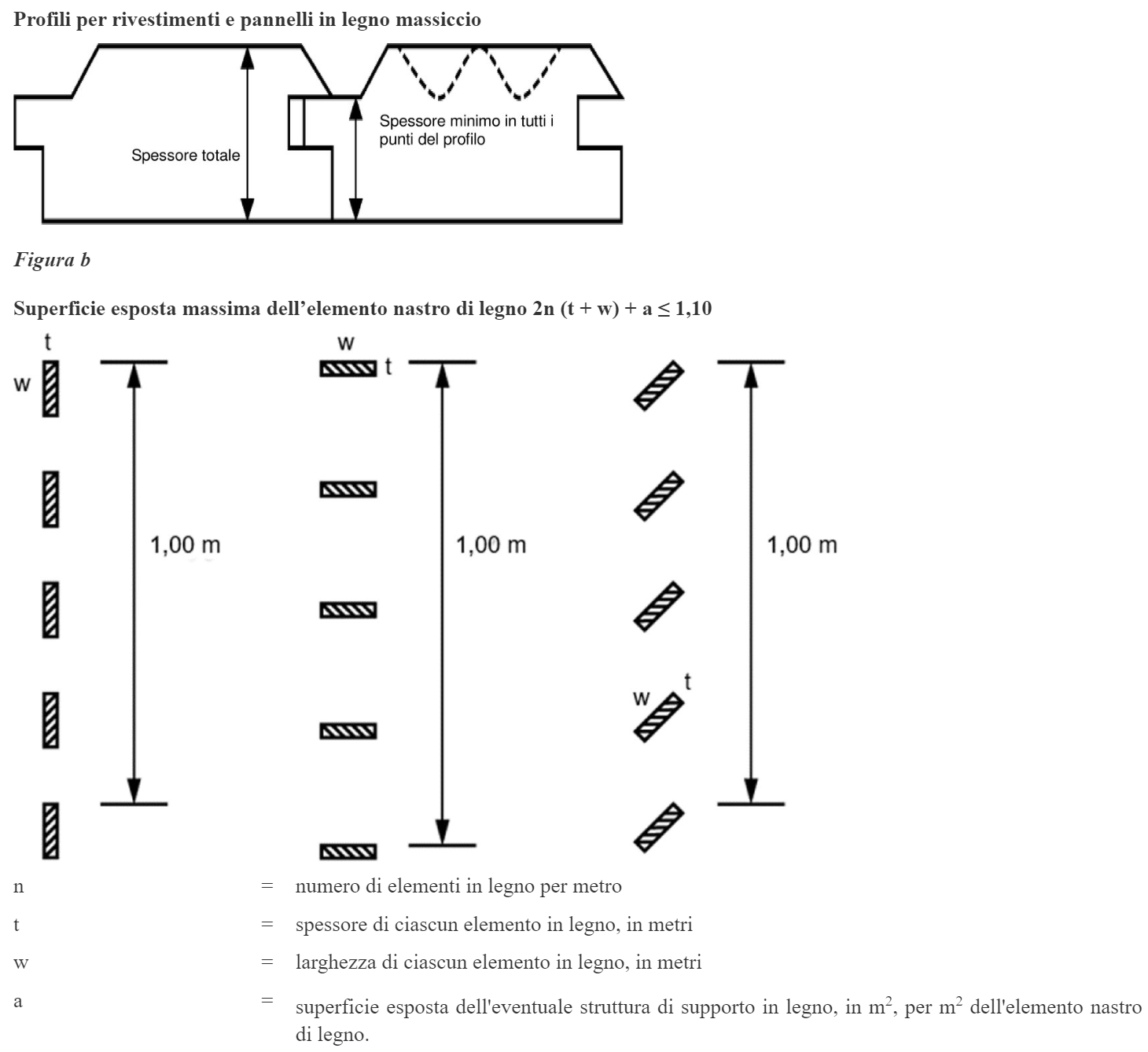
Figura a
(1) Montati meccanicamente su una struttura di supporto in listelli di legno, con un’intercapedine chiusa o riempito con un sottostrato almeno della classe A2-s1, d0 con una densità minima di 10 kg/m3 o riempito con un sottostrato di materiale isolante di cellulosa almeno della classe E, con o senza barriera vapore posteriore. Il prodotto in legno è ideato in modo da poter essere montato senza giunti aperti.
(2) Montati meccanicamente su una struttura di supporto in listelli di legno, con o senza intercapedine d’aria posteriore. Il prodotto in legno è ideato in modo da poter essere montato senza giunti aperti.
(3) Classe stabilita nel regolamento delegato (UE) 2016/364, allegato, tabella 1.
(4) Un’intercapedine d’aria aperta può rendere possibile la ventilazione dietro il prodotto, mentre un’intercapedine d’aria chiusa la impedisce. Il sottostrato dietro l’intercapedine d’aria deve essere almeno della classe A2-s1, d0 con una densità minima di 10 kg/m3. Dietro l’intercapedine d’aria chiusa di 20 mm al massimo e con elementi di legno verticali, il sottostrato deve essere almeno della classe D-s2, d0.
(5) I giunti comprendono tutti i tipi di giunti, per esempio giunti di testa e giunti maschio/femmina. Il legno non trattato è un materiale in legno che non è stato rivestito e non è stato sottoposto ad alcun tipo di trattamento diverso dall’essiccazione in forno (fisico, chimico, impregnazione o altri trattamenti).
(6) Condizionamento in conformità della norma EN 13238.
(7) Come illustrato nella figura a. Superficie profilata del lato esposto del pannello non superiore al 20 % della superficie piana o al 25 % se misurata contemporaneamente sul lato esposto e non esposto del pannello. Per i giunti di testa, lo spessore maggiore si applica all’interfaccia dei giunti.
(8) Elementi rettangolari in legno, con o senza angoli smussati, montati orizzontalmente o verticalmente su una struttura di supporto e circondati d’aria su tutti i lati, utilizzati principalmente accanto ad altri elementi di costruzione, sia per lavori interni che esterni.
(9) Superficie esposta massima (tutti i lati degli elementi rettangolari in legno e della struttura di supporto in legno) non superiore al 110 % della superficie piana totale, cfr. figura b sotto.
(10) Gli altri elementi di costruzione a una distanza inferiore a 100 mm dall’elemento nastro di legno (esclusa la struttura di supporto) devono essere almeno della classe A2-s1, d0, a una distanza di 100-300 mm almeno da elementi della classe B-s1, d0 e a una distanza superiore a 300 mm almeno da elementi della classe D-s2, d0.
(11) Si applica anche alle alzate di scale.
[...]
Collegati
Tags: Prevenzione Incendi




























