Scrubber ad umido: abbattimento emissioni in atmosfera
| ID 11605 | | Visite: 16261 | Documenti Riservati Ambiente | Permalink: https://www.certifico.com/id/11605 |
Scrubber ad umido: abbattimento emissioni in atmosfera / Note
ID 11605 | 01.10.2020 / Documento completo allegato
Le emissioni in atmosfera contenenti gas acidi come HF, H2S, HCl, SO2 e CO2 possono essere efficacemente trattate mediante gli “scrubber a umido”, che costituiscono una delle più valide tecnologie impiantistiche per ridurre il contenuto di gas acidi inorganici nei fumi, tanto che, per questa specificità, sono anche conosciute come “acid gas scrubbers”.
L’individuazione del sistema di scrubbing ottimale (tipologia, dimensionamento, efficienza) è, in genere, sempre frutto di un certo grado di esperienza, necessario per identificare le scelte più efficaci e le condizioni di lavoro alle quali sono soddisfatti i requisiti di progetto.
- acido solfidrico (H2S);
- acido fluoridrico (HF);
- acido cloridrico (HCl);
- anidride solforosa (SO2);
- acido cianidrico (HCN);
- anidride carbonica (CO2),
generate da attività produttive come raffinerie, industrie chimiche e petrolchimiche, inceneritori/termovalorizzatori, impianti di produzione di biogas, centrali elettriche, cementifici, fonderie, acciaierie, cartiere, impianti per la produzione di alluminio, impianti di produzione dei fertilizzanti e dei pesticidi.
___________
Descrizione scrubber ad umido
Con il termine inglese “scrubber” vengono indicati i sistemi di abbattimento impiegati per rimuovere particelle solide o sostanze allo stato di gas/vapore, dalle emissioni in atmosfera generate dai processi industriali. Nella maggior parte dei casi, gli scrubber impiegano un liquido per rimuovere gli inquinanti dalle correnti gassose (wet scrubbers), tuttavia, esistono anche applicazioni in cui un reagente allo stato solido viene messo a contatto con la corrente gassosa da purificare (dry scrubbers).
Fig. 1 – Esempio Wet Scrubber
Fig. 2 – Esempio Dry Scrubber
Gli scrubber a umido sono tra i principali sistemi impiegati per abbattere le emissioni gassose, specialmente nel caso di gas acidi, e uno dei principali campi di applicazione è, in particolare, la desolforazione dei fumi di combustione (FGD, flue gas desulfurization).
In un Sistema scrubber, la corrente gassosa inquinata viene messa in contatto con il liquido di lavaggio:
- nebulizzando il liquido sul gas, oppure
- forzando il passaggio del gas attraverso un battente di liquido, oppure
- per mezzo di un qualsiasi altro metodo di intimo contatto.
Se l’assorbimento è basato sulla sola solubilizzazione dell’inquinante, si parla di assorbimento fisico; se, invece, avviene anche una reazione chimica tra la soluzione assorbente e l’inquinante, si parla di assorbimento chimico.
___________
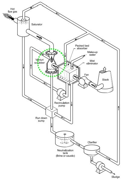
Schema funzionamento scrubber a umido
Uno scrubber può essere schematizzato in due parti:
- un tubo di Venturi, nel quale vengono introdotti la corrente gassosa da lavare ed il liquido assorbitore;
- una colonna a riempimento, nella quale i gas in risalita si liberano dal liquido trascinato.
l'effetto Venturi (o paradosso idrodinamico) è il fenomeno idrodinamico, scoperto e studiato dal fisico Giovanni Battista Venturi, per cui la pressione di una corrente fluida aumenta con il diminuire della velocità.
Fig. 4 – Schema funzionamento scrubber
___________
Classificazione wet scrubber
Il processo di pulitura operato in uno scrubber è, ovviamente, caratterizzato da un consumo di energia.
Si osserva, in generale, che l’energia richiesta per ripulire una corrente gassosa è tanto maggiore quanto più piccole sono le dimensioni degli inquinanti.
L’energia necessaria può essere fornita al sistema sia dalla corrente gassosa stessa sia attraverso il liquido (cui viene fornita durante il processo di atomizzazione).
La modalità con la quale l’energia viene fornita permette di definire un criterio di classificazione dei wet scrubber.
Scrubber Venturi
Negli scrubber Venturi l’energia contenuta nella corrente gassosa viene utilizzata per atomizzare il liquido utilizzato per la pulitura.
Lo scrubber Venturi ha tre sezioni: una parte convergente, una gola ed una parte divergente.
La velocità dei gas di scarico aumenta a causa della restrizione della sezione e nella gola strappano dalla corrente liquida (iniettata nella sezione di ingresso o poco prima della gola) formando una dispersione molto fine di gocce.
L’azione di pulitura avviene in massima parte in prossimità della gola. Il tratto divergente consente di rallentare il flusso facilitando la precipitazione delle gocce.
Pur essendo utilizzabili per la rimozione sia di gas che di polveri gli scrubber Venturi sono principalmente utilizzati per queste ultime.
Fig. 5 – Scrubber Venturi
___________
Scrubber inerziali
In questi scrubber il flusso gassoso è forzato a passare in una vasca contenente il liquido.
Successivamente il flusso è fatto passare in condotti sagomati od orifizi al fine di separare la fase liquida dalla corrente gassosa.
La gran parte della rimozione di particolati e gas avviene durante il passaggio della corrente gassosa nel liquido.
Questi scrubber sono generalmente usati per la rimozione di particolati. Le particelle più grandi sono rimosse nell’impatto con la superficie del liquido mentre le particelle più piccole sono catturate successivamente per impatto sulle goccioline di liquido. A tale scopo il condotto di uscita è opportunamente sagomato per massimizzare il miscelamento delle gocce e del particolato.
Fig. 12 – Scrubber inerziali
___________
Vantaggi/svantaggi scrubber ad umido
...
Segue in allegato
Fonti
Tecnologie & Soluzioni – Gruppo 24 Ore
Università degli Studi di Napoli Federico II
Certifico Srl - IT | Rev. 0.0 2020
©Copia autorizzata Abbonati
Matrice Revisioni
| Rev. | Data | Oggetto | Autore |
| 0.0 | 01.10.2020 | --- | Certifico Srl |
Collegati:
Direttiva 2010/75/UE
Tabella Documenti BREF / BAT Direttiva IED (2010/75/UE)
| Descrizione | Livello | Dimensione | Downloads | |
|---|---|---|---|---|
| Scrubber ad umido Rev. 0.0 2020.pdf Certifico Srl - Rev. 0.0 2020 |
672 kB | 131 |





























